工地临建房搭建规范及建筑工地临时板房建设规范

如何做好临建施工?项目临建标准化施工图集,知名企业编制PDF版

大型建筑工程项目施工前,需要建造相应的临建设施,以满足工程施工人员的需要。一般临建设施主要包括活动式临时房屋、固定式临时房屋,在施工过程中也要参照相应的标准。

这套由知名企业编制的项目临建标准化施工图集,总共有123页的内容,详细讲解了临建施工的内容和操作,彩色版图纸清晰明了,更加通俗易懂。

【文末有免费获取的方式!】

如何做好临建施工?项目临建标准化施工图集,知名企业编制PDF版

目录:

第一部分 总平面设计

第二部分 基础构造及装饰装修

第三部分 生活设施

第四部分 生活区设施及辅助设施

……

彩钢板构造图:

如何做好临建施工?项目临建标准化施工图集,知名企业编制PDF版

厕所构造详图:

如何做好临建施工?项目临建标准化施工图集,知名企业编制PDF版

大型临建L型管理人员办公、生活总平示意:

如何做好临建施工?项目临建标准化施工图集,知名企业编制PDF版

工人食堂平面示意图:

如何做好临建施工?项目临建标准化施工图集,知名企业编制PDF版

基础大样详图:

如何做好临建施工?项目临建标准化施工图集,知名企业编制PDF版

排水沟

如何做好临建施工?项目临建标准化施工图集,知名企业编制PDF版

食堂构造详图:

如何做好临建施工?项目临建标准化施工图集,知名企业编制PDF版

停车棚:

如何做好临建施工?项目临建标准化施工图集,知名企业编制PDF版

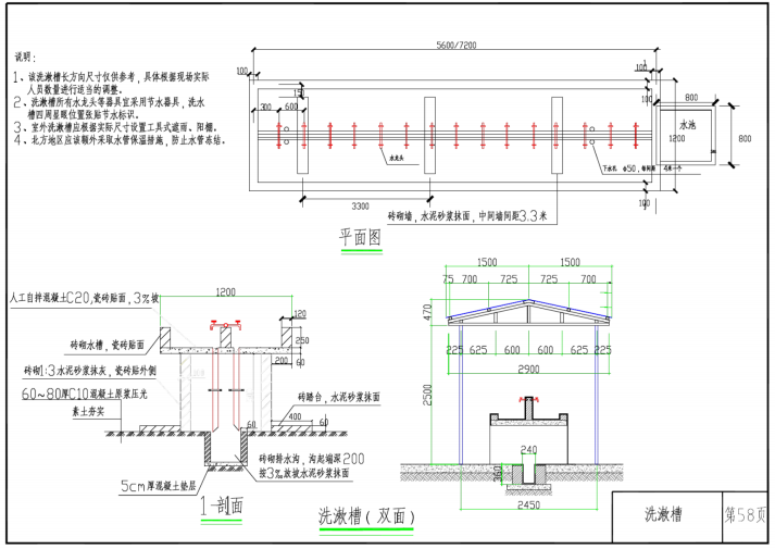
洗漱槽:

如何做好临建施工?项目临建标准化施工图集,知名企业编制PDF版

浴室构造图:

如何做好临建施工?项目临建标准化施工图集,知名企业编制PDF版

这套项目临建标准化施工图集2019版,由知名企业编制,对建筑工程临时建筑的施工进行了详细的图解说明,并且涉及到全部施工图集。

这些施工图集还都是彩色版的,每张图片都带有详细说明,非常具有参考价值,对项目临建施工具有很大的帮助。

版权声明:本文内容由互联网用户自发贡献,该文观点仅代表作者本人。本站仅提供信息存储空间服务,不拥有所有权,不承担相关法律责任。如发现本站有涉嫌抄袭侵权/违法违规的内容, 请发送邮件至lhzc88@qq.com举报,本站将立刻删除。
(0)
六月的雨
上一篇 2024年9月28日 06:20
下一篇 2024年9月28日 06:26

相关推荐